TRS Challenger 850
Documentation Project
CBTricks.com

TIPS:
You need to have Acrobat Reader version 5 or newer installed to view the files with icon.

If the files with or icon will not display see the Site FAQ for help on printing and using this information.



Service Manual (Courtesy of KWP)

 

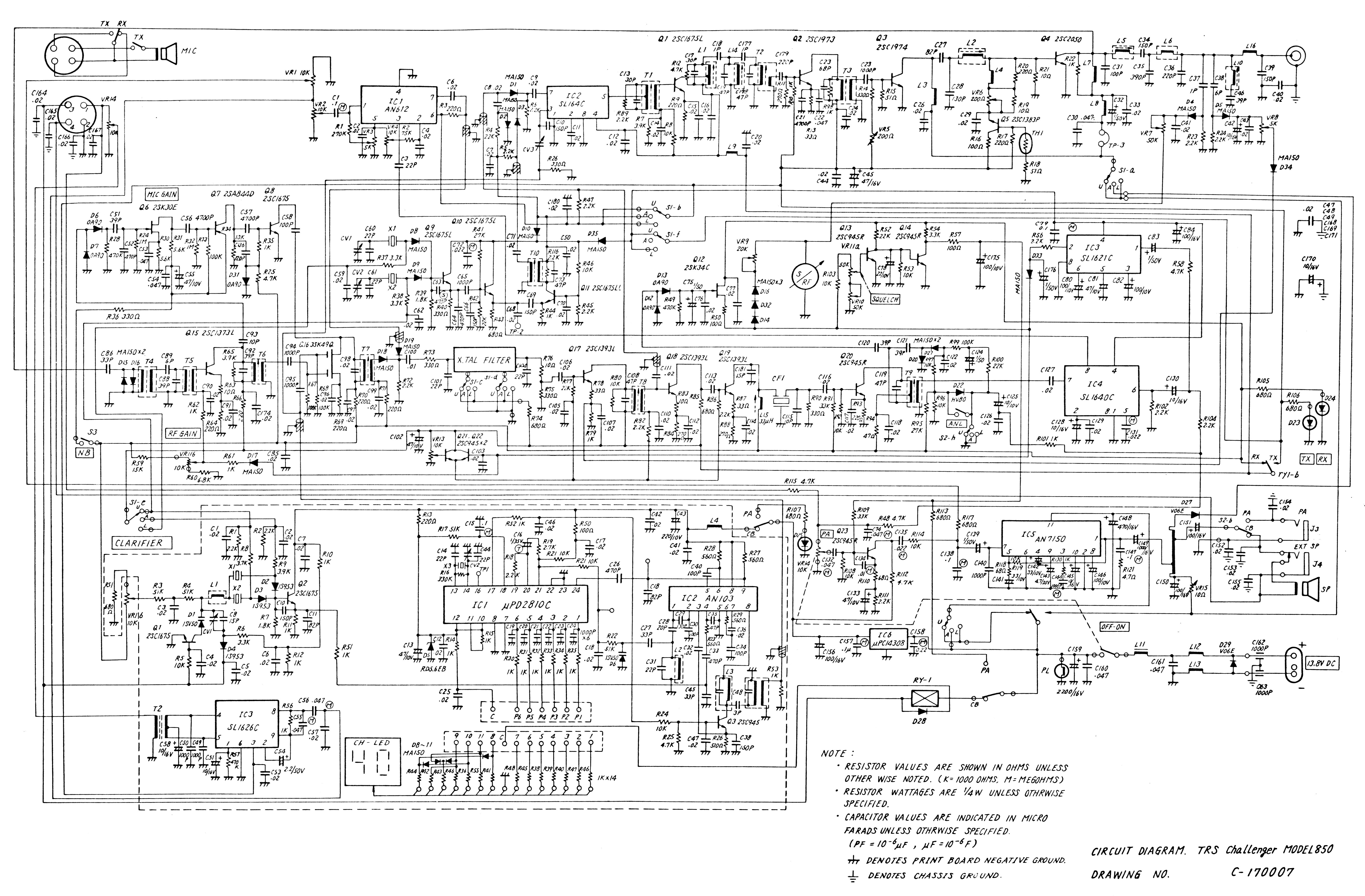
Diagrams
     Schematic Diagram
     Schematic Diagram

     Repair Flow Chart #1
     Repair Flow Chart #3

Mic Wiring

Stock
1- Audio
2- Shield
3- Receive
4- Transmit

Astatic (4 wire)
1- White
2- Shield
3- Black
4- Red

Astatic (6 wire)
1- White
2- Shield & Blue
3- Black
4- Red
Yellow NC

Daiwa EM-500
Cobra CA Series

1- Red
2- Shield & Black
3- Blue
4- White

Galaxy DC-521S (4 wire)
1- Yellow
2- Shield
3- Black
4- Red

Galaxy CB-660EI
1- White
2- Shield & Black
3- Blue
4- Red

Sadelta
1- White
2- Shield
3- Green
4- Brown

Turner
1- White
2- Shield & Red
3- Black
4- Blue
Yellow NC



Copyright © 1998, 1999, 2000, 2001, 2002, 2003, 2004, 2005 CBTricks.com

Disclaimer: Although the greatest care has been taken while compiling these documents,

we cannot guarantee that the instructions will work on every radio presented.