Uniden PRO-510e
Documentation Project

CBTricks.com

TIPS:
You need to have Acrobat Reader version 5 or newer installed to view the files with icon.

If the files with or icon will not display see the Site FAQ for help on printing and using this information.


 

Manuals
      Service Manual

 

Diagrams
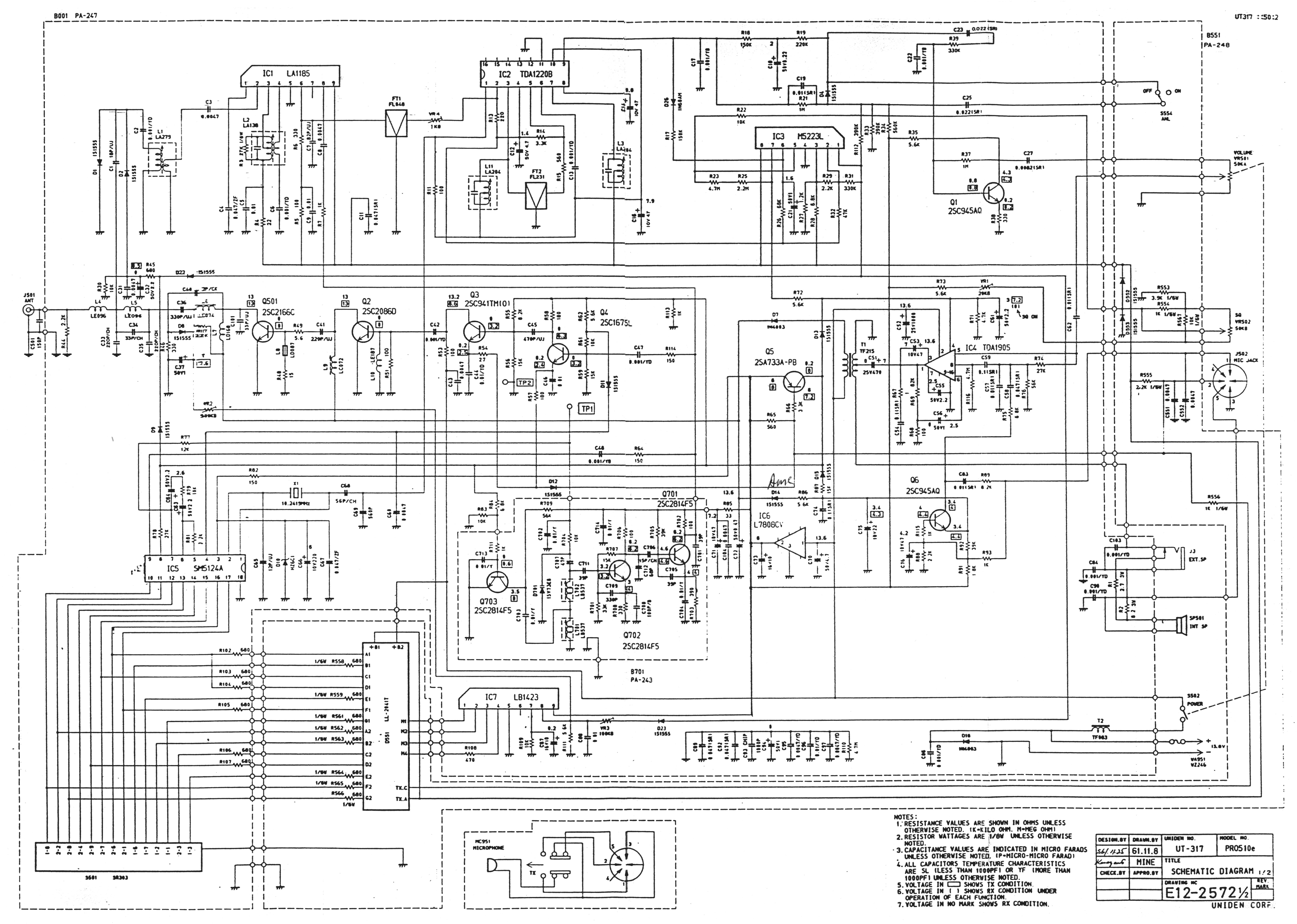
      Schematic Diagram
      Schematic Diagram
      Chassis Wiring Diagram
      PCB Layout

 


 


Copyright © 1998,1999,2000,2002 CBTricks.com

Disclaimer: Although the greatest care has been taken while compiling these documents,

we cannot guarantee that the instructions will work on every radio presented.