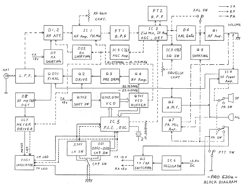
Uniden PRO520E (UT-317A)
Documentation Project

CBTricks.com

Block Diagram