Uniden
PRO710E (UT-316)
Documentation Project
CBTricks.com
Integrated Circuits Internal Diagrams
HA71808W
Voltage Regulator

M5223
Squelch and AGC Amplifier

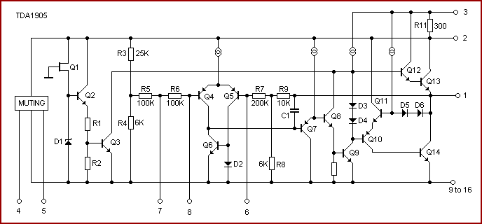
TDA1905
Audio Amplifier


TDA1220B
2nd MIX
2nd IF Amp
DET
AGC


SM5124A
PLL Frequency Synthesizer

Disclaimer: Although the greatest care has been taken while compiling these documents,
we cannot guarantee that the instructions will work on every radio presented.