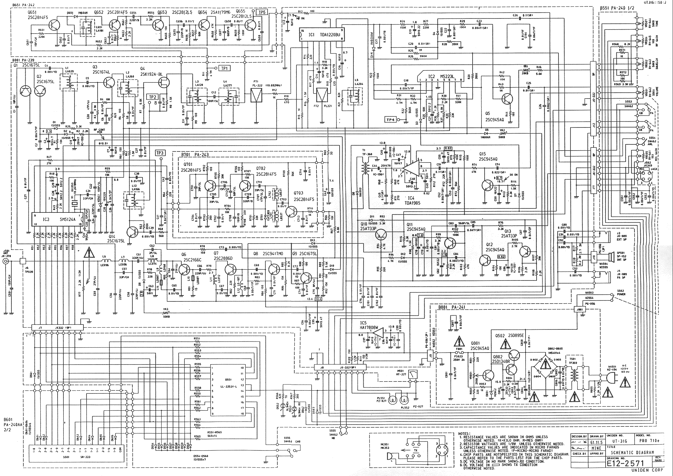
Uniden PRO710E (UT-316)
Documentation Project

CBTricks.com

PRO710e Schematic Diagram