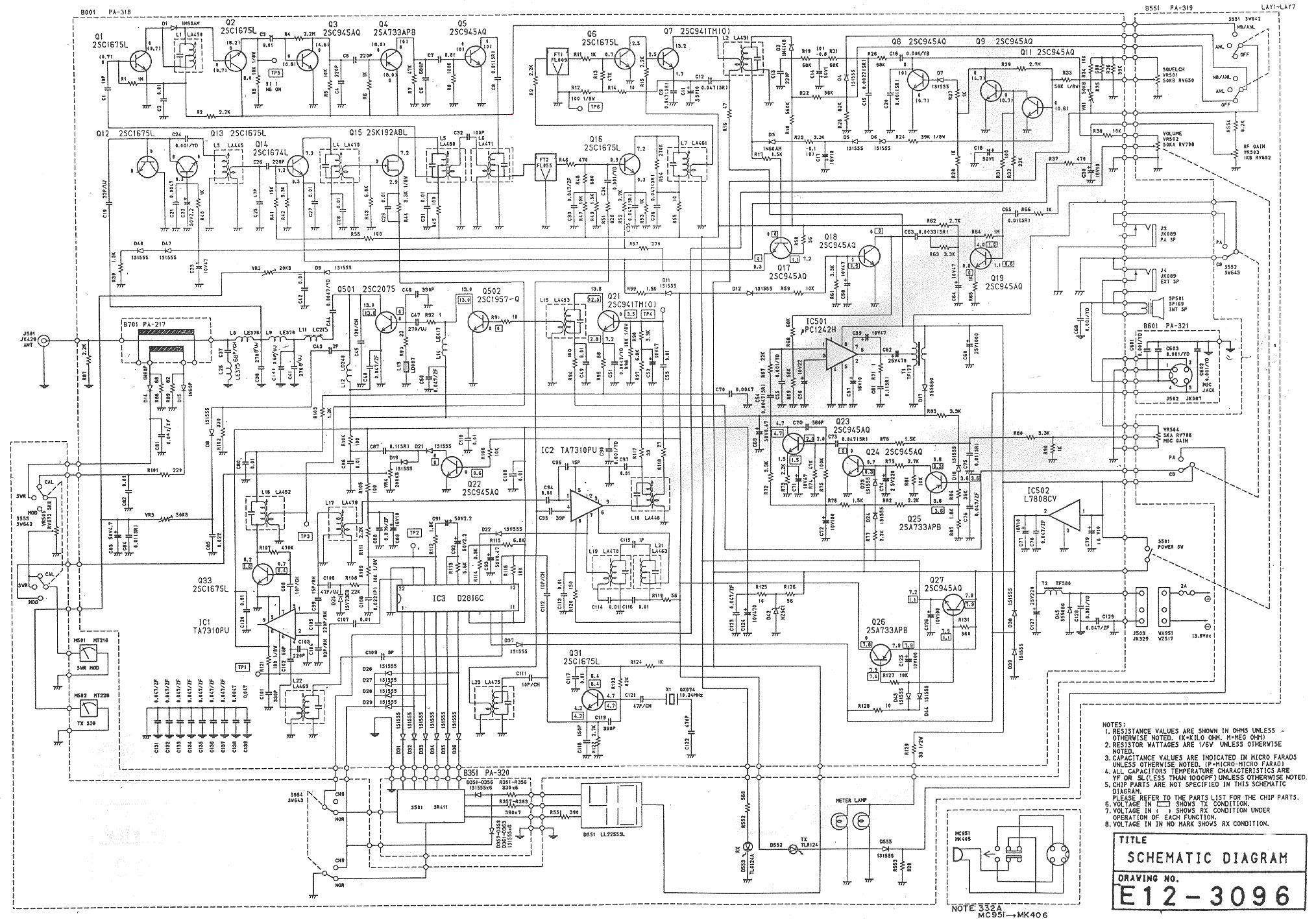
Uniden Trucker PTC104 (UT-332Z)
Documentation Project

CBTricks.com

PTC 104 Schematic Diagram