Unknown
Documentation Project

CBTricks.com

     

Manuals
     Service Manual ( 6.9 meg)

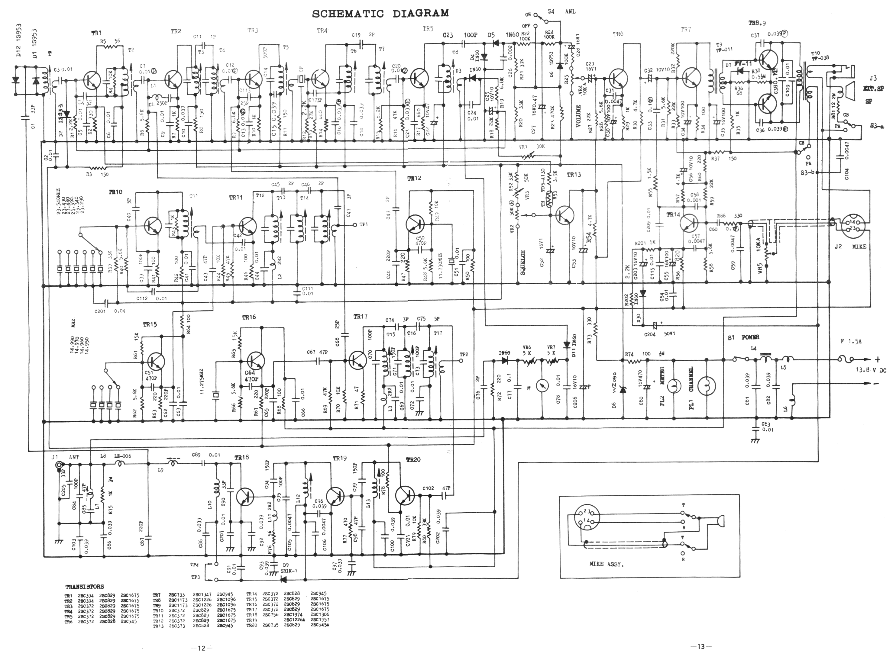
DIAGRAMS
    Schematic Diagram Main
    Schematic Diagram Main

This radio has no name it very close to a Cobra 21 23 channel the manual was so nice I put it on the site.

 

 


Copyright © 1998,1999,2000 CBTricks.com

Disclaimer: Although the greatest care has been taken while compiling these documents,

we cannot guarantee that the instructions will work on every radio presented.