|
RADIO
MODIFICATIONS
Frequency Conversion For (EPT004410Z Band PCB)
Frequency
Conversion For (EPT004410A "SMT" Band PCB)
Channel
Chart (After Modification)
10
meter FM Mod (28.000 - 29.655MHz)
Disabling
Talkback
Roger
Beep Tone Mod
ALIGNMENT
PROCEDURES
PLL
Alignment
Transmitter Alignment
Receiver
Alignment
Alignment Locations
VCO Frequency Generation Chart Bands
A-D and Bands E-H
SEMICONDUCTOR
INFORMATION
Transistor
Voltage Chart
Integrated
Circuits Voltage Chart
Active
Device Location Diagram
Semiconductor
Datasheets
DIAGRAMS
DX44V
Schematic Diagram (EPT360014B)
(April 19,
2002)
DX44V
Schematic Diagram (EPT360014C)
(Dec. 08, 2005)
Band
Board Schematic Diagram
DX44V
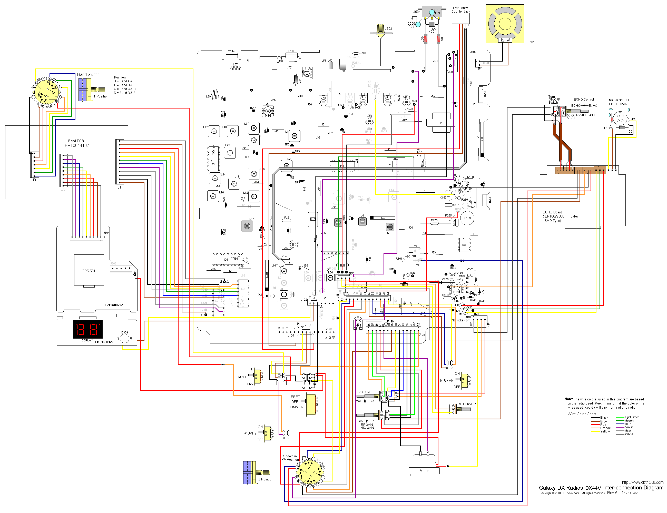
Inter-connection Diagram 
DX44V
Inter-connection Diagram 
PCB Layouts and
Parts
Main
PCB Layout (EPT360014B or EPT360014C)
Mic Jack PCB
(EPT360050Z)
Band Board Layout
(EPT004410Z) (Used to the end of 2001)
Band Board Layout
SMT (EPT004410A) Current Production
Channel Selector
PCB Layout (EPT360022Z)
Display PCB
Layout (EPT360032Z)
ECHO
PCB Layout (EPT0SSB50F) (Used to the end of 2002)
ECHO
PCB Layout (EPT0SSB51J) Current Production
Chassis, Miscellaneous
& Mechanical Parts
Front
View Chassis Parts 
Front
View Chassis Parts 
Rear
View Chassis Parts 
Rear
View Chassis Parts 
Miscellaneous
& Mechanical Parts
Mic Wiring Diagram

|
Stock
1- Shield
(Ground)
2- Yellow (Audio)
3- Red (Transmit)
4- White (Receive)
Astatic (4
wire)
1- Shield
2- White
3- Red
4- Black
Astatic (6
wire)
1- Shield & Blue
2- White
3- Red
4- Black
Yellow NC
Daiwa EM-500
Cobra CA Series
1- Shield & Black
2- Red
3- White
4- Blue
Galaxy DC-521S
(4 wire)
1- Shield
2- Yellow
3- Red
4- Black
Galaxy CB-660EI
1- Shield & Black
2- White
3- Red
4- Blue
Sadelta
1- Shield
2- White
3- Brown
4- Green
Turner
1- Shield & Red
2- White
3- Blue
4- Black
Yellow NC
|